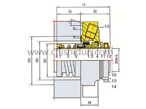
358機械密封


集裝式/單端面/任意旋向/橡膠波紋管/非平衡型
機械密封式用在循環泵常規填料盒中,嚴格按照端面比壓完全預裝配的
高質量的密封面盒結構材料能夠廣泛應用到各種工況中去,無需復雜的調配和準備
產品特點
集裝式/單端面/任意旋向/橡膠波紋管/非平衡型
運行參數
dn=25....75mm 1"...2.625
p1=12(16)bar
t=-20...90(140)℃
vg=10m/s
Axial movement:±0.5mm
本文源自http://www.car-camera.cn/product/jinkoujixie/36.html,轉載請注明出處。
(責任編輯:機械密封http://www.car-camera.cn)
上一篇:328機械密封 下一篇:CARTEX機械密封
- 上一篇:328機械密封
- 下一篇:CARTEX機械密封
產品導航
聯系我們
浙江生產基地:浙江嘉善環城東路硅谷開發區(赤盾科技園)
嘉興銷售及技術支持中心:嘉興市環北西路經濟開發區
國內24小時銷售人員電話:15990310020
國內24小時技術支持:13917573091
電子郵件:1050760236@qq.com
jxchishidun@163.com
即時聊天工具:QQ: 1050760236
微信:15990310020
網址:www.car-camera.cn











